![]() |
| Το πείραμα CLOUD μελετά κατά πόσο οι κοσμικές ακτίνες παίζουν ρόλο στο σχηματισμό των νεφών |
Πριν από δέκα χρόνια έκανε την εμφάνιση της μια θεωρία που ανέφερε ότι οι κοσμικές ακτίνες συνδέονται με την δημιουργία των σύννεφων και παίζουν σημαντικό ρόλο στις κλιματικές αλλαγές που λαμβάνουν χώρα στον πλανήτη μας. Ένα από τα πειράματα που γίνονται στον Ευρωπαϊκό Οργανισμό Πυρηνικών Ερευνών ( το γνωστό CERN) εντόπισε κάποιες ενδείξεις που δείχνουν ότι η θεωρία είναι πιθανό να είναι ορθή.
Το πείραμα του ουρανού
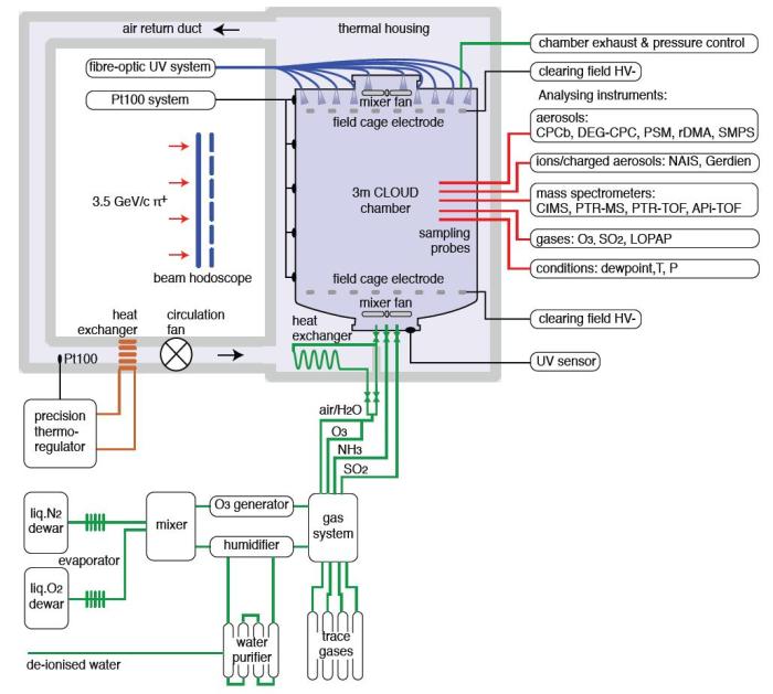
Ερευνητές του πειράματος CLOUD (Cosmics Leaving Outdoor Droplets) γεμίζουν ένα θάλαμο με φιλτραρισμένο αέρα και χημικά συστατικά (υδρατμούς, διοξείδιο του θείου, όζον, αμμωνία κ.α.) τα οποία οι ειδικοί πιστεύουν ότι αποτελούν τις πρώτες ύλες δημιουργίας των σύννεφων……
Παράλληλα δημιουργούν «συνθετικές» κοσμικές ακτίνες από πρωτόνια που χρησιμοποιούνται στις σωματιδιακές συγκρούσεις στον Μεγάλο Επιταχυντή Αδρονίων στο CERN. Οι ερευνητές βομβαρδίζουν τον θάλαμο με τις κοσμικές ακτίνες διεργασία που έχει ως αποτέλεσμα να δημιουργείται μια τεχνητή ατμόσφαιρα. Στην συνέχεια οι ερευνητές συλλέγουν δείγματα της τεχνητής ατμόσφαιρας που δημιουργείται μέσα στον θάλαμο και τα μελετούν.
Η ανακάλυψη
Τα πρώτα αποτελέσματα αυτών των μελετών δείχνουν ότι οι κοσμικές ακτίνες προκαλούν μεταβολές και πιο συγκεκριμένα αυξάνουν εκθετικά την παραγωγή ορισμένων σωματιδίων στην ατμόσφαιρα.
Όμως σύμφωνα με τους ερευνητές πρόκειται για μικροσκοπικά νανοσωματίδια που έχουν μέγεθος ενός νανομέτρου (ένα δισεκατομμυριοστό του μέτρου) τα οποία είναι πολύ μικρά για να λειτουργήσουν ως «σπόροι» για την δημιουργία σύννεφων.
«Προς το παρόν τα ευρήματα δεν αποτελούν απόδειξη της πιθανής εμπλοκής των κοσμικών ακτίνων τόσο στην δημιουργία των νεφών όσο και στις κλιματικές αλλαγές. Όμως είναι ένα σημαντικό πρώτο βήμα» αναφέρει ο Τζάσπερ Κίρμπι, επικεφαλής της ερευνητικής ομάδας.
Οι κοσμικές ακτίνες
Οι κοσμικές ακτίνες ή κοσμική ακτινοβολία είναι μία κατηγορία ακτινοβολίας που αποτελείται από σωματίδια υψηλών ενεργειών τα οποία παράγονται στα βάθη του σύμπαντος κυρίως από εκρήξεις σουπερνόβα. Αποτελούνται κυρίως από θετικά φορτισμένα ηλεκτρικώς σωματίδια και σε ποσοστό περίπου 90% αποτελούνται από πρωτόνια. Η έρευνα δημοσιεύεται στην επιθεώρηση Nature.
tovima.gr – nature.com –cloud.web.cern.ch
Κατηγορίες:ΜΕΤΕΩΡΟΛΟΓΙΑ, ΣΤΟΙΧΕΙΩΔΗ ΣΩΜΑΤΙΑ


Σχολιάστε